分析门电路
这是或非门,即只有两个输入都为0时输出为1,后面接一个非门就能实现或门。

异或门的几种尝试

使用16个晶体管的门电路

使用18个晶体管的门电路
经过两天各种尝试还是没能找到14个晶体管实现的方案,先继续学习 f3 剩余内容。
几天后,在ysyx交流群中得到启发,结合学校里同时学习的数电内容中的
德·摩根定律:
异或的最小项表达式:
- A⊕B=AB+AB
首先利用互补律加入为 0 的项,并进行因式分解:
A⊕B=AB+AB=AB+AA+AB+BB=A(B+A)+B(A+B)=(A+B)(A+B)
对右侧括号使用德·摩根定律(A+B=AB):
=(A+B)AB=AB(A+B)
对 (A+B) 整体加上双重否定号:
=AB⋅(A+B)
再次整体逆向使用德·摩根定律(X⋅Y=X+Y):
=AB+(A+B)

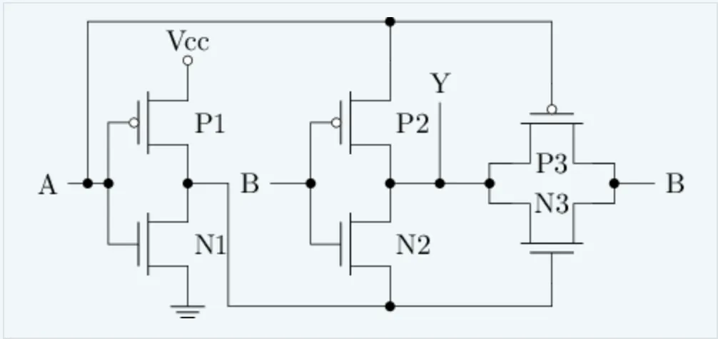
异或门的全定制电路
A 输入为1 时,B由左侧电路输入,
A 输入为0 时,左侧电路悬空,B由右侧电路输入

同或门的全定制电路与上图结构类似,改变调换三处位置即可。
3-8译码器
使用两个2-4译码器的子电路,和若干个门电路

七段数码管译码器

七段数码管译码器(2)

16-4编码器
